Более 250 000 запчастей! Запчасти, агрегаты, двигатели |
![]() +7 (499) 961-0571 |
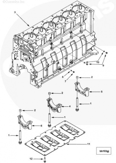
| Поз | Код | Название | Кол | Аналог | |
| BB1726-01 | Блок цилиндров | ||||
| 3800452 | 3680900;4089161;4955502 | Block, cylinder | |||
| 1 | 3678506 | Screw, hex flange head cap | 14 | Болт ГБЦ M14x1.5. (короткий) | |
| 2 | 3678507 | Dowel, ring | 14 | ||
| 3 | 4026532 |
3681152;3681203; 4059205;3682862; 3683646 |
Block, cylinder | 1 | Блок ДВС ISX ( без бугелей ) |
| 4 | 3680246 | Cap, main bearing | 1 | ||
| 5 | 3688547 | Cap, main bearing | 1 | ||
| 6 | 3688549 | Cap, main bearing | 5 | ||
| 7 | 3678610 | 3678602 | 1 | Пробка резьбовая M12 x 1.50 | |
| 8 | 3678603 | 1 | Кольцо уплотнительное EGR | ||
| 9 | 3678921 | 3678922 | 2 | Пробка резьбовая | |
| 10 | 3678912 | 1 | Кольцо уплотнит. трубки турбины | ||
| 11 | 3680425 | Plate, cyl blk stiffening | 1 | Успокоитель маслянный | |
| 12 | 3680781 | 3679965 | Screw, hex flange head cap | 10 |
ПО ВСЕМ ВОПРОСАМ ОБРАЩАТЬСЯ ПО ТЕЛЕФОНУ +7 (499) 346-2037
| Запчасти для спецтехники Продажа запчастей USA.EURO с понедельника по п... | Амортизатор сиденья Fred DMS S1... | Наименование Каталожный номер цена ... | ПО ВСЕМ ВОПРОСАМ ОБРАЩАТЬСЯ ПО ТЕЛЕФОНУ +7 (499) 346-2037 ... | В автомобилях карданный вал используется для переноса крутящего момента от коробки передач к редук... |